Ingangsfilterspoel voor frequentieomvormer | 230 V | 16 A
Productbeschrijving
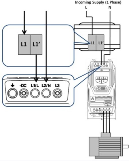
Ingangsfilterspoel voor enkelfasige voedingen. De maximale stroom is 16 A.
Ingangsfilterspoelen beschermen de frequentieomvormer tegen spanningspieken in de inkomende voeding en verminderen tegelijkertijd harmonische stromen aan de ingang.
De behuizing biedt een IP66-bescherming tegen het binnendringen van stof en water.
Fabrikantencode: OPT-2-L1016-66
Aanvullende specificaties en beschrijvingen
Het gebruik van een ingangsfilterspoel wordt aanbevolen in de volgende situaties:
- Bij frequentieomvormers met framegrootte 2 of 3
- Bij installaties met een lage voedingsimpedantie of zeer hoge foutstromen
- Bij installaties waarbij de inkomende voeding gevoelig is voor spanningspieken, dips, notches of andere verstoringen
De ingangsfilterspoel reduceert de harmonische vervorming van de inkomende voeding aanzienlijk en verlaagt de totale stroom naar de omvormer.

Bemerkingen, recensies & beoordelingen