CE deklaracija
Transformatorinis reguliatorius, valdomas analoginiu signalu | 1,5 A
Produkto aprašymas
Tai transformatorinis, trifazis ventiliatoriaus greičio reguliatorius valdomas analoginis 0-10 V signalu. Jis valdo trifazius įtampa valdomus variklius, kurių didžiausia leistina srovė negali visšyti 1,5 A.
Ventiliatoriaus greitis reguliuojamas variklio įtampą keičiant pakopomis. Pakopos perjungiamos analoginio valdymo signalo pagalba (0–10 VDC). Signalas gali būti paduodamas iš betkurio prietaiso: potenciometro, valdiklio, jutiklio ir taip toliau. Maždauk kas du voltus reguliatorius įjungs sekantį greitį.
Puikios sinusoidinės formos išėjimo įtampa garantuoja tylų variklio darbą. TK gnybtai variklio šiluminei apsaugai pajungti. Jei variklis turi šiluminę apsaugą būtinai ją prijunkite prie šių kontaktų, kad apsaugotumėte ventiliatorių nuo galimo visiško sugadinimo. Korpusas pritaikytas virštinkiniam montavimui patalpose (IP54). Galimi įtampos išėjimai: 0-130-180-230-300-400 VAC.
Dokumentai
Papildomos specifikacijos ir aprašymas
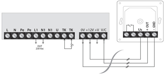
Vienas iš galimų ventiliatoriaus greičio lygių pasirinkimų yra naudojant 0–10 V įėjimo signalą. Jei 0–10 V signalo nėra, prie STVS4 valdiklio galima prijungti išorinį potenciometrą. Potenciometrą MTP-X10K-NA galima prijungti prie STVS4 reguliatoriaus 12 V nuolatinės srovės maitinimo šaltinio. Pavyzdžiui, 2 V įėjimo signalas įjungia 1 greičio lygį (130 VAC varikliui), 4 V įėjimo signalas įjungia 2 greičio lygį (180 VAC varikliui) ir t. t. Šiuo atveju naudojamas valdymo vadovas.

Pastabos, atsiliepimai ir įvertinimai