Déclaration CE
Variateur de vitesse à autotransformateur 1,5 A | entrée analogique
Description du produit
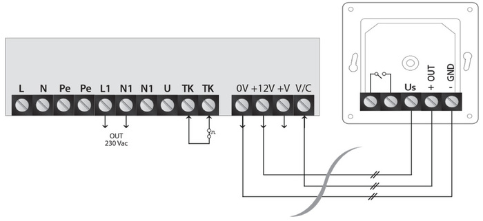
Ce variateur à autotransformateur possède une entrée analogique allant de 0 à 10 V. Il contrôle des moteurs triphasés 400 volts. Le courant moteur maximal (combiné) est de 1,5 A.
La tension du moteur est réduite en cinq paliers, ou bien étapes, pour gérer la vitesse en utilisant la technologie des autotransformateurs. Un signal de contrôle analogique (0-10 V) ou un potentiomètre externe est utilisé pour choisir l'un de ces cinq niveaux. Une tension de sortie sinusoïdale précise garantit un fonctionnement silencieux du moteur.
Si la fonction de surveillance TK détecte une surchauffe, elle arrête le moteur.
Le montage en surface est possible avec le boîtier IP54.
La tension de la source d'alimentation est de 400 VCA.
Documents
Spécifications et descriptions supplémentaires
Comment un variateur de vitesse de ventilateur à autotransformateur régule la vitesse d'un moteur CA ?
Un variateur de vitesse de ventilateur à autotransformateur est un dispositif conçu pour moduler la vitesse d'un ventilateur CA par étapes incrémentiels en diminuant la tension du moteur. Ce processus est réalisé grâce à l'utilisation d'autotransformateurs. Réputée pour sa fiabilité et sa robustesse, cette technologie produit une tension moteur caractérisée par une forme d'onde sinusoïdale parfaite. Une telle précision garantit un fonctionnement silencieux du moteur et une durée de vie opérationnelle prolongée. De plus, un revêtement d'imprégnation spécial est appliqué pour atténuer le bruit électrique associé aux autotransformateurs.
Comment la vitesse du ventilateur peut être contrôlée manuellement à l'aide d'un signal d'entrée 0-10 V ?
L'un des niveaux de vitesse de ventilateur disponibles peut être sélectionné via le signal d'entrée 0-10 V. Si aucun signal 0-10 V n'est disponible, un potentiomètre externe peut être connecté au variateur STVS4. Le potentiomètre MTP-X10K-NA peut être connecté à l'alimentation 12 VCC du variateur STVS4. Par exemple, un signal d'entrée de 2 V active le niveau de vitesse 1 (130 VCA vers le moteur), un signal d'entrée de 4 V active le niveau de vitesse 2 (180 VCA vers le moteur), etc. Dans ce cas, le contrôle est manuel.

Comment un transmetteur Sentera permet le contrôle de la vitesse du ventilateur à la demande ?
Le STVS4 peut être connecté à un transmetteur Sentera, puis la vitesse du ventilateur connecté peut être contrôlée à la demande en utilisant le signal de la sortie du transmetteur. Selon le type de transmetteur, le contrôle peut être basé sur la température, sur l'humidité relative, sur le CO2, sur les COV (TVOC), etc.

Comment la fonction de protection thermique du moteur (TK) du variateur empêche la surchauffe ?
Ce variateur de vitesse de ventilateur peut surveiller la protection thermique du moteur (les TK ou contacts thermiques mesurent la température dans les bobinages du moteur). En cas de surchauffe du moteur, la fonction de surveillance TK désactive le moteur pour prévenir tout type d'endommagement du moteur. Si le moteur n'est pas équipé de contacts TK, les bornes TK du variateur doivent être shuntées pour simuler une température moteur normale.
Qu'est-ce qui arrive au variateur pendant et après une coupure de courant ?
Dans un cas de coupure de courant, ce variateur se réinitialise automatiquement. Lorsque le courant est rétabli, le moteur redémarre automatiquement.
Quelle est la fonction de la sortie non régulée sur le variateur STVS4 ?
La sortie supplémentaire non régulée (230 VCA) est active lorsque le moteur est en fonctionnement. Elle peut être utilisée pour contrôler un indicateur de fonctionnement externe, un registre, etc. Lorsque le ventilateur est désactivé, le registre est fermé. Lorsque le ventilateur est actif, le registre est ouvert.
Quel est l'objectif et l'utilisation de la sortie numérique du STVS4 pour la protection contre la surchauffe ?
Le variateur de vitesse de ventilateur STVS4 est équipé d'une sortie numérique supplémentaire qui utilise 12 VCC pour son fonctionnement. Cette sortie signale le fonctionnement des contacts thermiques qui protègent le moteur contre la surchauffe. Elle peut être utilisée dans un objectif de connecter une lampe qui, selon les bornes connectées, s'allume ou s'éteint. Une solution plus avancée consiste à connecter la sortie numérique à un système de gestion technique du bâtiment (GTB/BMS) automatisé. Une telle solution peut notifier la surchauffe du moteur électrique et l'arrêt d'un ventilateur par des alarmes sonores et/ou lumineuses. Cette option d'utilisation d'une sortie numérique est pertinente pour les locaux où s'effectuent des travaux avec des mélanges d'air et des gaz dangereux.
Quelles sont les caractéristiques du boîtier, de la protection et de l'installation du variateur STVS4 ?
Le boîtier de la série STVS4 est fabriqué en acier de qualité supérieure, offrant une qualité optimale. Il est conçu pour un montage en surface et bénéficie d'un niveau de protection IP54, protégeant contre l'infiltration de saleté, de poussière et de l'humidité.
Remarques, critiques et notes