Déclaration CE
Variateur de vitesse à autotransformateur 6 A | entrée analogique
Description du produit
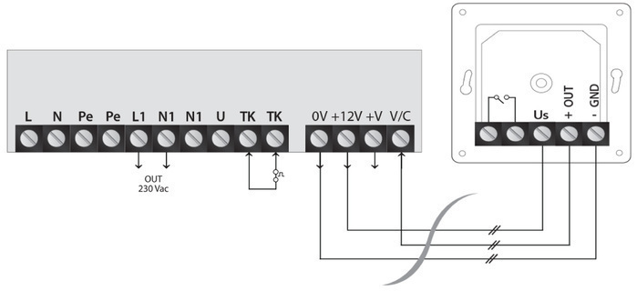
Ce variateur à autotransformateur dispose d'une entrée analogique comprise entre 0 et 10 V. Il contrôle des moteurs triphasés 400 V. L'intensité nominale maximale combinée est de 6 A.
La tension moteur est réglée selon cinq paliers, ou bien étapes, pour réguler la vitesse de rotation via la technologie autotransformateur. Un signal de commande analogique (0-10 V) ou un potentiomètre externe permet de sélectionner l'un de ces cinq niveaux de tension. Une tension de sortie sinusoïdale précise garantit un fonctionnement moteur silencieux.
Si la fonction de surveillance TK détecte une surchauffe, elle coupe l'alimentation du moteur.
Le montage en surface est possible grâce au boîtier métallique qui bénéficie d'un indice de protection IP54.
La tension d'alimentation est de 400 VCA.
Documents
Spécifications et descriptions supplémentaires
Un variateur de vitesse à autotransformateur est un dispositif conçu pour moduler la vitesse d'un ventilateur AC par paliers incrémentaux en diminuant la tension moteur. Ce processus est réalisé via l'utilisation d'autotransformateurs. Reconnue pour sa fiabilité et sa robustesse, cette technologie produit une tension moteur caractérisée par une forme d'onde sinusoïdale parfaite. Une telle précision garantit un fonctionnement moteur silencieux et une durée de vie opérationnelle prolongée. De plus, un revêtement d'imprégnation spécial est appliqué pour atténuer le bruit électrique associé aux autotransformateurs.
L'un des niveaux de vitesse de ventilation disponibles peut être sélectionné via le signal d'entrée 0-10 V. Si aucun signal 0-10 V n'est disponible, un potentiomètre externe peut être raccordé au variateur STVS4. Le potentiomètre MTP-X10K-NA peut être connecté à l'alimentation 12 VCC du variateur STVS4. Par exemple, un signal d'entrée de 2 V active le niveau de vitesse 1 (130 VCA vers le moteur), un signal d'entrée de 4 V active le niveau de vitesse 2 (180 VCA vers le moteur), etc. Dans ce cas, le contrôle est manuel.

Le STVS4 peut être raccordé à un transmetteur Sentera, permettant ainsi de contrôler la vitesse du ventilateur connecté à la demande en utilisant le signal de la sortie du transmetteur. Selon le type de transmetteur, le contrôle peut être basé sur la température, l'humidité relative, le CO2, les COVT (Composés Organiques Volatils Totaux), etc.

Ce variateur de vitesse peut surveiller la protection thermique du moteur (les contacts thermiques TK mesurent la température dans les bobinages du moteur). En cas de surchauffe du moteur, la fonction de surveillance TK désactive le moteur pour prévenir tout type d'endommagement. Si le moteur n'est pas équipé de contacts TK, les bornes TK du variateur doivent être shuntées pour simuler une température moteur normale.
En cas de coupure de courant, ce variateur se réinitialise automatiquement. Lorsque le courant est rétabli, le moteur redémarre automatiquement.
La sortie supplémentaire non régulée (230 VCA) est active lorsque le moteur est en fonctionnement. Elle peut être utilisée dans un objectif de contrôler un indicateur de fonctionnement externe, un registre, etc. Lorsque le ventilateur est désactivé, le registre est fermé. Lorsque le ventilateur est actif, le registre est ouvert.
Le variateur de vitesse STVS4 est équipé d'une sortie numérique supplémentaire qui utilise du 12 VCC pour son fonctionnement. Cette sortie signale l'activation des contacts thermiques qui protègent le moteur contre la surchauffe. Elle peut être utilisée pour raccorder un voyant qui, selon les bornes connectées, s'allumera ou s'éteindra. Une solution plus avancée consiste à raccorder la sortie numérique à un système de gestion technique du bâtiment (GTB). Une telle solution permet de notifier la surchauffe du moteur électrique et l'arrêt du ventilateur par des alarmes sonores et/ou lumineuses. Cette option d'utilisation d'une sortie numérique est pertinente pour les locaux où s'effectuent des travaux avec des mélanges d'air et des gaz dangereux.
Le boîtier de la série STVS4 est fabriqué en acier de qualité supérieure, tout en offrant une qualité optimale. Il est conçu pour un montage en surface et bénéficie d'un indice de protection IP54, le protégeant contre l'infiltration de saletés, de poussière et d'humidité.
Remarques, critiques et notes