Déclaration CE
Variateur de vitesse à autotransformateur 4 A | entrée analogique
Description du produit
Ce variateur à autotransformateur possède une entrée analogique 0-10 V. Il contrôle un moteur triphasé 400 volts. Le courant moteur maximal (combiné) est de 4 A.
La vitesse est régulée en 5 paliers, ou bien étapes, en réduisant la tension du moteur via la technologie des autotransformateurs. L'un de ces 5 niveaux est sélectionné au moyen d'un signal de commande analogique (0-10 volts) ou d'un potentiomètre externe. La tension de sortie parfaitement sinusoïdale garantit un fonctionnement silencieux du moteur.
La fonction de surveillance TK désactive le moteur en cas de surchauffe.
Le boîtier métallique IP54 peut être monté en surface.
La tension d'alimentation est de 400 VCA.
Documents
Spécifications et descriptions supplémentaires
Comment un variateur de vitesse de ventilateur à autotransformateur régule la vitesse d'un moteur AC ?
Un variateur de vitesse de ventilateur à autotransformateur est un dispositif conçu pour moduler la vitesse d'un ventilateur AC par étapes incrémentiels en diminuant la tension du moteur. Ce processus est réalisé grâce à l'utilisation d'autotransformateurs. Réputée pour sa fiabilité et sa robustesse, cette technologie produit une tension moteur caractérisée par une forme d'onde sinusoïdale parfaite. Une telle précision garantit un fonctionnement silencieux du moteur et une durée de vie opérationnelle prolongée. De plus, un revêtement d'imprégnation spécial est appliqué pour atténuer le bruit électrique associé aux autotransformateurs.

Comment la vitesse du ventilateur peut être contrôlée manuellement à l'aide d'un signal d'entrée 0-10 V ?
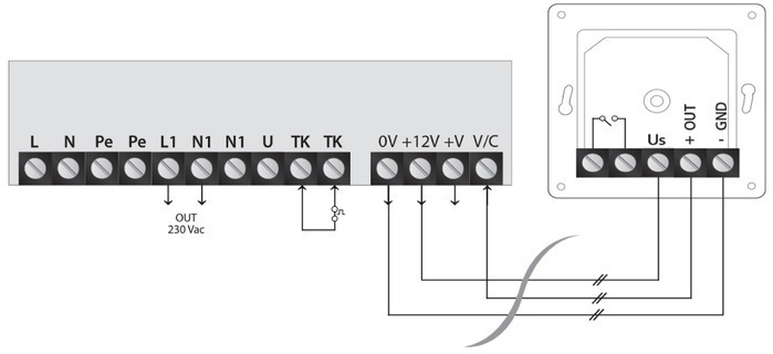
L'un des niveaux de vitesse de ventilateur disponibles peut être sélectionné via le signal d'entrée 0-10 V. Si aucun signal 0-10 V n'est disponible, un potentiomètre externe peut être connecté au variateur STVS4. Le potentiomètre MTP-X10K-NA peut être connecté à l'alimentation 12 VCC du variateur STVS4. Par exemple, un signal d'entrée de 2 V active le niveau de vitesse 1 (130 VCA vers le moteur), un signal d'entrée de 4 V active le niveau de vitesse 2 (180 VCA vers le moteur), etc. Dans ce cas, le contrôle est manuel.
Comment un capteur Sentera permet le contrôle de la vitesse du ventilateur à la demande ?
Le STVS4 peut être connecté à un transmetteur Sentera, permettant ainsi de contrôler la vitesse du ventilateur connecté à la demande en utilisant le signal de la sortie du transmetteur. Selon le type de transmetteur, le contrôle peut être basé sur la température, l'humidité relative, le CO2, les COV, etc.

Comment la fonction de protection thermique du moteur (TK) du variateur empêche la surchauffe ?
Ce variateur de vitesse peut surveiller la protection thermique du moteur (les contacts TK ou thermiques mesurent la température dans les bobinages du moteur). En cas de surchauffe du moteur, la fonction de surveillance TK désactive le moteur pour éviter de l'endommager. Si le moteur n'est pas équipé de contacts TK, les bornes TK du variateur doivent être shuntées pour simuler une température moteur normale.
Que se passe-t-il avec le variateur pendant et après une coupure de courant ?
En cas de coupure de courant, ce variateur se réinitialise automatiquement. Lorsque le courant est rétabli, le moteur redémarre automatiquement.
Quelle est la fonction de la sortie non régulée sur le variateur STVS4 ?
La sortie supplémentaire non régulée (230 VCA) est active lorsque le moteur est en fonctionnement. Elle peut être utilisée afin de contrôler un indicateur de fonctionnement externe, un registre, etc. Lorsque le ventilateur est désactivé, le registre est fermé. Lorsque le ventilateur est actif, le registre est ouvert.
Quel est l'objectif et l'utilisation de la sortie numérique du STVS4 pour la protection contre la surchauffe ?
Le variateur de vitesse STVS4 est équipé d'une sortie numérique supplémentaire qui utilise 12 VCC pour son fonctionnement. Cette sortie signale l'activation des contacts thermiques qui protègent le moteur contre la surchauffe. Elle peut être utilisée pour connecter un indicateur qui, selon les bornes connectées, s'allumera ou s'éteindra. Une solution plus avancée consisterait à la connecter à la sortie numérique d'un système de gestion technique du bâtiment (GTB). Une solution de tel type peut notifier la surchauffe du moteur électrique et l'arrêt du ventilateur par des alarmes sonores et/ou visuelles. Cette option d'utilisation d'une sortie numérique est pertinente pour les locaux où s'effectuent des travaux avec des mélanges d'air et des gaz dangereux.
Quelles sont les caractéristiques du boîtier, de la protection et de l'installation du variateur STVS4 ?
Le boîtier de la série STVS4 est fabriqué en acier de première qualité, tout en offrant une qualité supérieure. Il est conçu pour un montage en surface et bénéficie d'un indice de protection IP54, le protégeant contre l'infiltration de saleté, de poussière et de l'humidité.
Remarques, critiques et notes