Déclaration CE
Autotransformateur 11 A | 400 VCA
Description du produit
Autotransformateur compact 11 A - 400 VCA pour montage sur tableau ou dans applications nécessitant des tensions de sortie inférieures à la tension d'entrée. Il réduit la tension primaire par étapes. Prises de tension disponibles sur le côté secondaire : 0-130-170-220-260-300-400 VCA.
Documents
Spécifications et descriptions supplémentaires
Comment ça fonctionne?
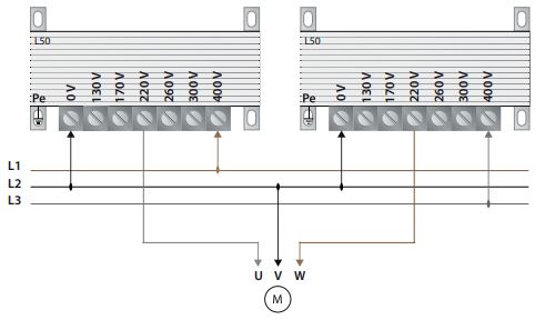
Un autotransformateur est un transformateur électrique avec un seul enroulement. Il a un seul enroulement avec deux bornes d'extrémité et une ou plusieurs bornes aux points de prise intermédiaires. La tension primaire (400 VCA) est appliqué aux deux bornes d'extrémité. La tension secondaire est prélevée sur deux bornes, dont une borne est généralement en commun avec une borne de tension primaire.
Un autotransformateur est un transformateur électrique avec un seul enroulement. Il a un seul enroulement avec deux bornes d'extrémité et une ou plusieurs bornes aux points de prise intermédiaires. La tension primaire (400 VCA) est appliqué aux deux bornes d'extrémité. La tension secondaire est prélevée sur deux bornes, dont une borne est généralement en commun avec une borne de tension primaire.

Les autotransformateurs sont intégrés aux variateurs de vitesse des ventilateurs à autotransformateurs Sentera. Via deux autotransformateurs 400 VCA, les ventilateurs VCA triphasés sont commandés par étapes en réduisant la tension du moteur. Les autotranformateurs peuvent également être utilisés dans d'autres applications qui nécessitent une réduction de tension.
Superbe qualité
Sentera possède sa propre ligne de production d'autotransformateurs. Nous n'utilisons que des matières premières de la meilleure qualité et nous travaillons avec des fournisseurs fiables. Pour minimiser le bourdonnement typique des transformateurs, nous appliquons un revêtement imprégné spécial. Tout cela garantit des autotransformateurs d'une qualité inégalée.
Sentera possède sa propre ligne de production d'autotransformateurs. Nous n'utilisons que des matières premières de la meilleure qualité et nous travaillons avec des fournisseurs fiables. Pour minimiser le bourdonnement typique des transformateurs, nous appliquons un revêtement imprégné spécial. Tout cela garantit des autotransformateurs d'une qualité inégalée.
Facile à installer
Cet autotransformateur peut être installé dans une armoire électrique. Il peut être connecté via le bornier à vis. Il a une protection IP20 contre la pénétration de poussière.
Cet autotransformateur peut être installé dans une armoire électrique. Il peut être connecté via le bornier à vis. Il a une protection IP20 contre la pénétration de poussière.
Remarques, critiques et notes